Магазин запчастей для бытовой техники - Arlos
Москва
close
Выберите ваш регион
АбаканАлександровАльметьевскАнгарскАрзамасАрмавирАртемАрхангельскАстраханьАчинскБалаковоБалашихаБеларусьБелгородБердскБерезникиБийскБлаговещенскБратскБрянскВеликий НовгородВидноеВладивостокВладикавказВладимирВолгоградВолгодонскВолжскийВологдаВолховВоркутаВоронежВоскресенскВыборгГатчинаГеленджикГрозныйДедовскДербентДзержинскДзержинскийДимитровградДмитровДолгопрудныйДомодедовоДонецкЕвпаторияЕгорьевскЕкатеринбургЕлецЕссентукиЖелезногорскЖелезнодорожныйЖуковскийЗеленоградЗлатоустИвановоИвантеевкаИжевскИркутскИстраЙошкар-ОлаКазаньКалининградКалугаКаменск-УральскийКамышинКаспийскКемеровоКерчьКировКисловодскКлинКовровКоломнаКомсомольск-на-АмуреКопейскКоролёвКостромаКотельникиКрасногорскКраснодарКраснознаменскКрасноярскКурганКурскКызылЛенинск-КузнецкийЛипецкЛобняЛыткариноЛюберцыМагнитогорскМайкопМалаховкаМахачкалаМиассМоскваМурманскМуромМытищиНабережные ЧелныНазраньНальчикНаро-ФоминскНахабиноНаходкаНевинномысскНефтекамскНефтеюганскНижневартовскНижнекамскНижний НовгородНижний ТагилНовокузнецкНовокуйбышевскНовомосковскНовороссийскНовосибирскНовоуральскНовочебоксарскНовочеркасскНовошахтинскНовый УренгойНогинскНорильскНоябрьскОбнинскОдинцовоОктябрьскийОмскОрелОренбургОрехово-ЗуевоОрскПавловский ПосадПензаПервоуральскПермьПетрозаводскПетропавловск-КамчатскийПодольскПрокопьевскПсковПушкиноПятигорскРаменскоеРеутовРостов-на-ДонуРубцовскРыбинскРязаньСакиСалаватСамараСанкт-ПетербургСаранскСаратовСевастопольСеверодвинскСеверскСергиев ПосадСерпуховСимферопольСмоленскСосновый БорСочиСтавропольСтарый ОсколСтерлитамакСтупиноСургутСызраньСыктывкарТаганрогТамбовТверьТихвинТольяттиТомилиноТомскТроицкТулаТюменьУлан-УдэУльяновскУссурийскУсть-ИлимскУфаУхтаФеодосияФрязиноХабаровскХанты-МансийскХасавюртХимкиЧебоксарыЧелябинскЧереповецЧеркесскЧеховЧитаШахтыЩелковоЭлектростальЭлистаЭнгельсЮжно-СахалинскЯкутскЯлтаЯрославль
  • - бесплатно по РФ
    Автоперезвон. Работает по принципу: Вы позвонили на номер, мы сбрасываем звонок и перезваниваем через 3 секунды.
  • - по Москве
  • 8 (925) 663-83-63

Call-центр

пн-вс: 10:00-19:00

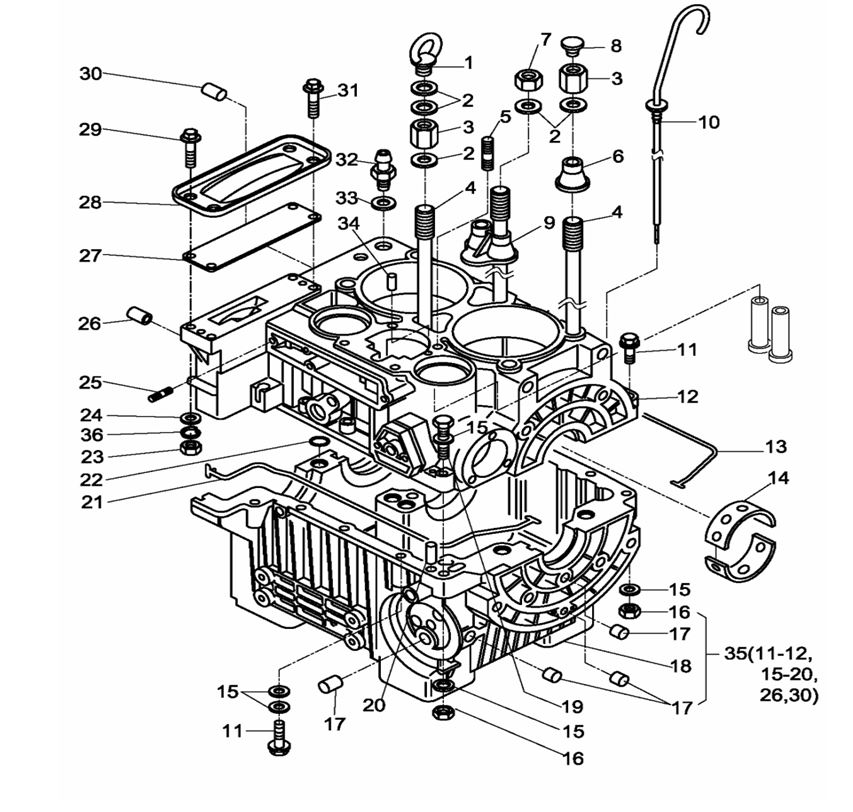
ЗАПЧАСТИ ДЛЯ ДВИГАТЕЛЯ ДИЗЕЛЬНОГО HL292FG1 (КАРТЕР)

NАртикулНазваниеСрок отгрузкиЦенаКупить
1 0102.104200 Рым-болт M10
2 0102.104210 Шайба плоская
3 0102.104220 Гайка головки цилиндра (длинная)
4 0102.104230 Шпилька
5 0102.104240 Шпилька M8х20 мм
6 0102.104250 Уплотнитель болта (резиновый) (I)
7 0102.104260 Гайка головки цилиндра (короткая)
8 0102.104270 Уплотнитель гайки (резиновый)
9 0102.104280 Уплотнитель болта (резиновый) (II)
10 0102.104290 Щуп масляный
12 0102.104300 Блок цилиндра (верхняя часть)
13 0102.104310 Прокладка блока цилиндра (резиновая) (I) 105 р.
14 0102.104320 Вкладыш подшипника коренного
15 0102.001470 Шайба плоская D.6 мм
16 0102.001490 Гайка M6
17 0102.104330 Втулка 13х7 мм
18 0102.104340 Блок цилиндра (нижняя часть)
19 0102.104350 Болт M6х65 мм
20 0102.104360 Штифт установочный 8х16 мм
21 0102.104370 Прокладка блока цилиндра (резиновая) (II) 125 р.
22 0102.104380 Кольцо уплотнительное D.14х2 мм
23 0102.002150 Гайка M8
24 0102.002170 Шайба плоская D.8 мм
25 0102.104390 Шпилька M6х16 мм
26 0102.104400 Штифт пружинный 8х12 мм (облегченный)
27 0102.104410 Прокладка накладки
28 0102.104420 Накладка
29 0102.002920 Болт фланцевый M8х30 мм
30 0102.104430 Втулка 7х6 мм
31 0102.004120 Болт M8х20 мм
32 0102.104440 Направляющая трубки сапуна M12х1,5
33 0102.104450 Шайба 12х17 мм (медная)
34 0102.100230 Штифт 4х8 , 119.1-04008, ДЭС4000ЕМ 9 р.
35 0102.104460 Ремкомплект (вкл. поз.11,12, 15-20,26,30)
36 0102.002160 Шайба пружинная D.8 мм
Найдено товаров: 35
1
▲ Наверх
0
8 (925) 663-83-63

Call-центр

пн-вс: 10:00-19:00

НАЙТИ ПО МОДЕЛИ
Введите номер заказа
Введите номер своего заказа, что бы узнать его текущий статус.
Что бы получить доступ к расширенным функциям, пройдите не сложную регистрацию. Зарегистрироваться